Sensors>>>Electronic Components & Supplies
Origin CN(Origin)
Usage Gas Sensor
Material Mixture
Type Gas Sensor
Output Digital Sensor
Theory Resistance Sensor
is_customized Yes
Model Number MQ Sensor






Color













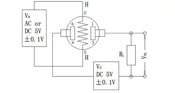
Basic Circuit:

The figure above shows the basic test circuit for the MQ-9B sensor. The sensor requires two voltages to be applied: heater voltage (VH) and test voltage (VC). VH is used to provide the sensor with a specific operating temperature. It can be used with DC power or AC power. This model requires VH to be in the low voltage state of 1.5V±0.1V when the sensor detects carbon monoxide, and in the non-detection state (recovery phase). It is in the state of 5V ± 0.1V. The VRL is the voltage across the load resistor (RL) of the sensor in series. VC is the voltage for testing the load resistor RL and requires a DC power supply.
MQ-5B
The gas sensing material used in the MQ-5B methane sensor is tin dioxide (SnO2) with lower conductivity in clean air. When a flammable gas is present in the environment in which the gas sensor is located, the electrical conductivity of the flammable gas sensor increases as the concentration of flammable gas in the air increases. The change in conductivity can be converted to an output signal corresponding to the gas concentration using a simple circuit.
The MQ-5B combustible gas sensor has high sensitivity to butane, propane and methane, and can better balance methane and propane. This gas sensor detects a wide range of flammable gases, especially natural gas, and is a low-cost sensor for a wide range of applications. Sensor Characteristics: Good sensitivity to flammable gases over a wide range of concentrations High sensitivity to butane, propane and methane Simple drive circuit Application: Household gas leak alarm Industrial combustible gas alarm Portable gas detector
Basic Circuit:
The figure above shows the basic test circuit for the MQ-5B sensor. The sensor requires two voltages to be applied: heater voltage (VH) and test voltage (VC). The VH is used to provide a specific operating temperature for the sensor, either DC or AC. The VRL is the voltage across the load resistor (RL) of the sensor in series. VC is the voltage for testing the load resistor RL and requires a DC power supply. MQ-4B The gas sensing material used in the MQ-4B methane sensor is tin dioxide (SnO2) with lower conductivity in clean air. When there is a flammable gas in the environment where the sensor is located, the conductivity of the sensor increases as the concentration of flammable gas in the air increases. The change in conductivity can be converted to an output signal corresponding to the gas concentration using a simple circuit. The MQ-4B methane sensor has high sensitivity to methane and strong anti-interference ability to alcohol and other disturbing gases. Sensor Characteristics: This product has good sensitivity to methane in a wide concentration range, and has the advantages of long life, low cost, and simple driving circuit. Application: Widely used in household gas leak alarms, industrial combustible gas alarms and portable gas detectors 
Basic Circuit:
The figure above shows the basic test circuit for the MQ-4B sensor. The sensor requires two voltages to be applied: heater voltage (VH) and test voltage (VC). The VH is used to provide a specific operating temperature for the sensor, either DC or AC. The VRL is the voltage across the load resistor (RL) of the sensor in series. VC is the voltage for testing the load resistor RL and requires a DC power supply. MQ-2B: The gas sensing material used in the MQ-2B gas sensor is tin dioxide (SnO2) with lower conductivity in clean air. When there is a flammable gas in the environment where the sensor is located, the conductivity of the sensor increases as the concentration of flammable gas in the air increases. The change in conductivity can be converted to an output signal corresponding to the gas concentration using a simple circuit. The MQ-2B gas sensor is highly sensitive to propane and smoke and is ideal for the detection of natural gas and other flammable vapors. This sensor detects multiple flammable gases and is a low-cost sensor for a wide range of applications. Sensor Characteristics: This product has good sensitivity to propane, smoke, etc. in a wide concentration range, and has the advantages of long life, low cost, and simple driving circuit. Application: Widely used in household gas leak alarms, industrial combustible gas alarms and portable gas detection instruments. 
Basic Circuit:
The picture shows the basic test circuit for the MQ-2 sensor. The sensor requires two voltages to be applied: heater voltage (VH) and test voltage (VC). The VH is used to provide a specific operating temperature for the sensor, either DC or AC. The VRL is the voltage across the load resistor (RL) of the sensor in series. VC is the voltage for testing the load resistor RL and requires a DC power supply. MQ137: The gas sensing material used in the MQ137 ammonia gas sensor is tin dioxide (SnO2) with lower conductivity in clean air. When ammonia is present in the environment in which the sensor is located, the conductivity of the sensor increases as the concentration of ammonia in the air increases. The change in conductivity can be converted to an output signal corresponding to the gas concentration using a simple circuit. The MQ137 ammonia gas sensor is highly sensitive to ammonia and is ideal for monitoring other organic amines such as trimethylamine and ethanolamine. This sensor detects a wide range of ammonia-containing gases and is a low-cost sensor for a wide range of applications. Sensor Characteristics: High sensitivity to ammonia Simple drive circuit Application: Household ammonia alarm Industrial ammonia leak alarm Portable gas detector

Basic Circuit:

The picture shows the basic test circuit for the MQ137 sensor. The sensor requires two voltages to be applied: heater voltage (VH) and test voltage (VC). The VH is used to provide a specific operating temperature for the sensor, either DC or AC. The VRL is the voltage across the load resistor (RL) of the sensor in series. VC is the voltage for testing the load resistor RL and requires a DC power supply.
MQ131(High concentration)
The gas sensing material used in the MQ131 ozone gas sensor is tin dioxide (SnO2) which has a low conductivity in clean air. When ozone gas is present in the environment where the sensor is located, the conductivity of the sensor increases as the concentration of ozone gas in the air increases. The change in conductivity can be converted to an output signal corresponding to the gas concentration using a simple circuit. The MQ131 ozone gas sensor has high sensitivity to ozone, and has certain sensitivity to strong oxidizing gases such as chlorine and nitrogen dioxide, and reacts organic interference gas in the opposite direction to ozone. Sensor Characteristics: Good sensitivity to ozone gas over a wide range of concentrations High sensitivity to ozone Simple drive circuit Application: Household ozone concentration exceeding alarm, industrial ozone concentration exceeding alarm and portable ozone concentration detector
Basic Circuit:
The picture shows the basic test circuit for the MQ131 sensor. The sensor requires two voltages to be applied: heater voltage (VH) and test voltage (VC). The VH is used to provide a specific operating temperature for the sensor, either DC or AC. The VRL is the voltage across the load resistor (RL) of the sensor in series. VC is the voltage for testing the load resistor RL and requires a DC power supply.
No comments:
Post a Comment